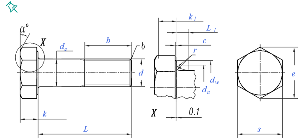
Les vis et boulons hexagonaux externes sont des attaches fondamentales reconnues pour leur conception de tête à six côtés, conçues pour offrir une transmission de couple élevée et une stabilité mécanique entre les applications industrielles. Fabriqués en acier au carbone (8,8, 10,9 ou 12,9, en alliages personnalisés, ces attaches vont des filetages M1.6 miniatures aux diamètres M64 à usage lourd, avec des longueurs s'étendant de 12 mm à 500 mm pour répondre à diverses exigences de chargement. La tête hexagonale externe permet l'engagement des clés ou de la prise, garantissant un resserrement sécurisé dans les espaces confinés - critique pour assembler les cadres de machines, les joints en acier structurel ou les composants automobiles où la résistance aux vibrations est primordiale.
Les traitements de surface comme la rouille de combat galvanisant le trempage à chaud dans les environnements extérieurs (par exemple, ponts, tours de transmission), tandis que les revêtements d'oxyde noir réduisent la réflexion légère dans l'optique de précision ou le matériel militaire. Les finitions spécialisées telles que le PTFE ou la peinture électrophorétique améliorent la résistance chimique à utiliser dans les usines de traitement chimique ou l'équipement marin. Le codage couleur personnalisé (bleu, rouge) facilite la gestion des stocks ou les protocoles de sécurité, la distinction des cotes de charge ou des grades de matériau sur place. Avec des tolérances de fil standardisées et des forces de traction, ces boulons répondent aux spécifications ISO et ASTM, équilibrant la rentabilité avec les performances des industries allant des énergies renouvelables à la fabrication lourde. Leur adaptabilité dans le matériau, le revêtement et le dimensionnement en fait une solution universelle pour les ingénieurs hiérarchiser la durabilité, la facilité d'installation et le respect des normes mécaniques rigoureuses.


























